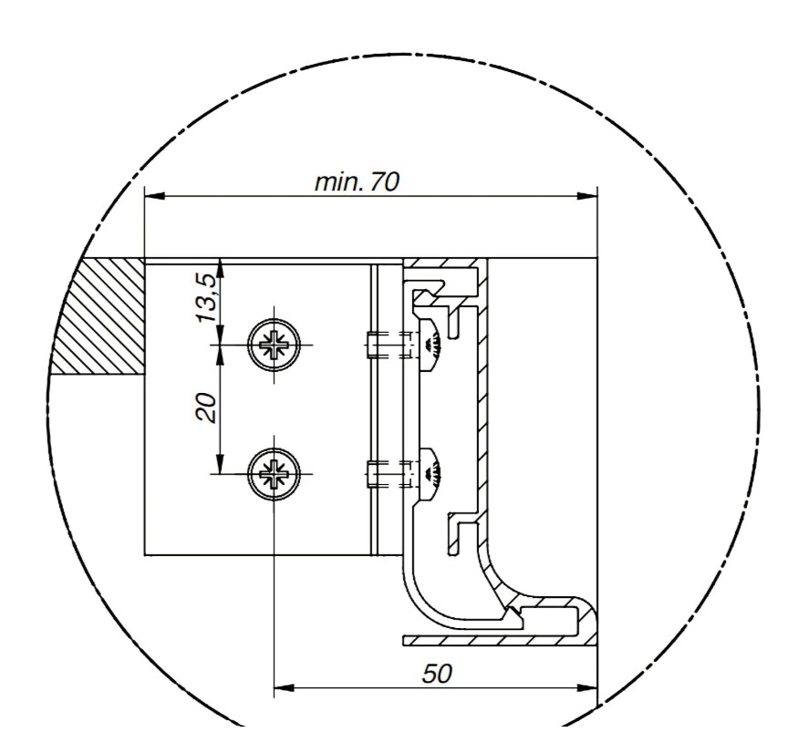
Käepideme profiili GOLA J horisontaalse profiili kinnitus korpuseseina külge/VASAK, kruvi
6,75 € + km
NB! Fotod on illustratiivsed. Tegelik välimus, sh värv, tekstuur ja materjali struktuur, võivad fotodel näidatust erineda.
Pikkus (mm): 70
Kõrgus (mm): 70
Laius (mm): 50
Kate/Värv: alumiinium
Laos.
Tarne 0-3 tööpäeva
Nurgakapi korvimehhanism HARMONY (parem) M90, L862-1068mm, H520mm, SOFT, teras/antrasiit
Väljatõmmatav cargo (pudelihoidja) 2-riiuliga M200mm, L110mm, H480mm, S470mm, SLOW, teras/hõbe 





